Fredo
Nuevo miembro
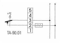
Hola a tod@s, tengo un termostato analogico marca Sontel deĺ suelo radiante electrico que tengo que cambiar puesto que el mando de temperatura no regula, gira en ambos sentidos y no tiene tope( ví que está descatalogado)
Este termostato esta en el salon y tiene un cable marrón que me supongo será la fase y dos negros en el mismo conector, mientras que los demás termostatos del piso tienen una fase y un neutro.
Alguien me podría decir la función de ese cable extra y cual es su función.
Ya de paso alguien con este tipo de calecfacion me diga marca y modelo para poder sustituirlo.
Muchas gracias y buen día.
Este termostato esta en el salon y tiene un cable marrón que me supongo será la fase y dos negros en el mismo conector, mientras que los demás termostatos del piso tienen una fase y un neutro.
Alguien me podría decir la función de ese cable extra y cual es su función.
Ya de paso alguien con este tipo de calecfacion me diga marca y modelo para poder sustituirlo.
Muchas gracias y buen día.



